- Артикул1109093SM
- ПроизводительIddis
- АртикулSET/BLAR3BMI25/28
- СерияBlanco
- НаличиеПредзаказ
- Габариты (ДхШхВ)230×365×370 мм
46470 ₽
- КоллекцияBlanco
- Направление выпускаГоризонтальный (в стену)
- Сиденье в комплектеДа
- Все характеристики
Товары в коллекции

14490 ₽
Унитаз Iddis Blanco BLARDSEi25 подвесной с сиденьем Микролифт

23990 ₽
Унитаз Iddis Blanco BLAR3BMi25 подвесной с сиденьем Микролифт

46470 ₽
Комплект подвесной унитаз IDDIS Blanco BLAR3BMi25 + система инсталляции Grohe 38811kf0
Доставка послезавтра и позже, от 800 ₽
Безободковый: Да, Сиденье с микролифтом: Да, Быстросъемное сиденье: Да, Цвет: Черный матовый
Основные параметры
- КоллекцияBlanco
- Направление выпускаГоризонтальный (в стену)
- Область примененияБытовая, Для общественных мест
- Организация смывающего потокаПо всему периметру чаши
- ОснащениеКрепление, Кнопка смыва, Инсталляционная система, Унитаз, Сиденье с микролифтом
- Подвод водыСзади бачка, Слева бачка, Справа бачка
- ПроизводительIDDIS
- Сиденье с микролифтомДа
- Система антивсплескДа
- Стилистика дизайнаСовременный стиль
- Страна производстваРоссия
- УправлениеПневматическое
- Установка унитаза/бидеПодвесной
- Функция бидеНет
Комплектация
- Сиденье в комплектеДа
Цвет, материал, поверхность
- МатериалФарфор
- Материал клавиши смываПластик
- Материал сиденьяДюропласт
- ПоверхностьМатовая
- Цвет клавиши смываЧерный матовый
- Цвет сиденьяЧерный матовый
- Цвет (фильтр)Черный, Матовый
Типы, виды, формы, назначение
- Тип изделияКомплекты
- ФормаОкруглая
Технические параметры
- БезободковыйДа
- Быстросъемное сиденьеДа
- Количество упаковок2
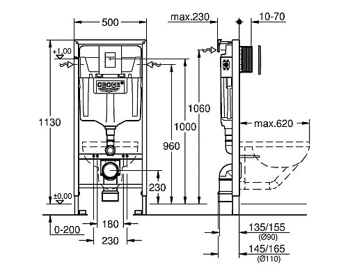
- Межосевое расстояние под крепеж. шпильки18
- Режим слива водыСтарт-стоп, 2-х объемный
- Угловая конструкцияНет
Габариты, вес, упаковка
- Высота, см37
- Глубина, см49.5
- Длина крепления23 см
- Объем смывного бачка3/6 л
- Ширина36.5 см
Габариты и вес
- Габариты (ДхШхВ)230×365×370 мм
Отзывов: 0
Нет отзывов о данном товаре.
Рекомендуемые товары